PC-D/DIシリーズアンプの強力な20×8入力マトリクス機能とDante I/Oを組み合わせることで、あらゆるシステムの汎用性を飛躍的に向上させることができます。PC-D/DIシリーズの入力マトリクス機能は、システム全体を拡張する補助マトリックスとしてだけでなく、ミキサーやDSPを追加していないシステムにおいても他のアナログ機器やDante搭載の機器から直接音声信号を入力できるため、より柔軟なルーティングが可能となります。また、本体に搭載されたDanteの入出力は、最大96kHzの16ch入力/16ch出力の低レイテンシー音声信号をリダンダント(二重化)接続することも可能です。さらに、PC-D/DIシリーズとProVisionaire Control PLUS/Kioskなどのリモートソフトウェアを組み合わせることで、より柔軟で直感的な制御環境を構築できます。

PC412-Dに、アナログミキサーからの音声信号に加えてデジタルミキサーからの音声信号も入力したシステム例です。入力マトリクス機能を使用して、両方を組み合わせた音声信号をスピーカー、またはその他のDanteデバイスに送出できます。

2つのインプットラック(Rio8-D)のDante入力からPC412-DIに直接音声信号を入力するシステム例です。入力マトリクス機能を使用して、双方を組み合わせた音声信号をスピーカーに送出できます。また、Dante出力を使用すれば、PC412-DIでEQ調整を施した音声信号を他のアンプに送ることも可能です。

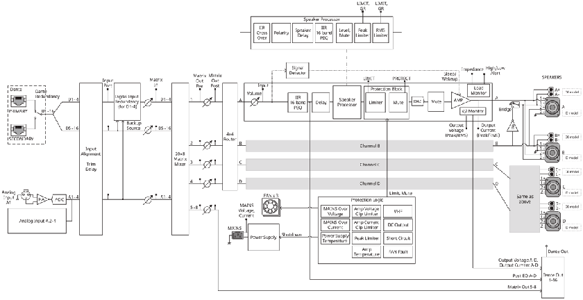
PC-D/DIシリーズは高効率かつ高信頼性なClass-Dアンプを搭載しており、高負荷時にも卓越した精度と安定性を実現しています。また、ツアリングモデル(D)および設備モデル(DI)にはそれぞれ600Wバージョンと1200Wバージョンをラインナップし、用途に応じて最適な出力性能を選択することができます。さらにDIモデルはハイインピーダンス接続にも対応しており、多数のスピーカーをまとめて駆動するシステムも容易に構築することができます。なお、全てのモデルに取り外し可能なハンドルと交換可能なフィルターが付属しています。
PC-D/DIシリーズアンプは高性能なスピーカープロセッサを標準搭載し、16バンドPEQ、ディレイ、ピークリミッティング、RMSリミッティングなどの機能用いてスピーカーのチューニングやダイナミクス制御を正確かつ容易に行うことができます。また、Dante出力を使ってRoom EQのパラメーター設定を他のアンプに送出することができ、複数のアンプチャンネルのEQを集中的に制御することも可能です。さらに、スピーカーのプリセットライブラリーにはヤマハCZRシリーズなどに最適化されたデータが豊富に用意されているため、システムに合わせてプリセットを選択することでスピーカーをより簡単にチューニングすることができます。

PC-D/DIシリーズは、2種類のProVisionaireを使用して詳細なシステム設定が可能です。
ProVisionaire Designは、広範囲に対応するヤマハ製品を使用する際に直感的なサウンドデザインを可能にするWindowsソフトウェアです。システムにPC-D/DIシリーズ、DME/MRXプロセッサー、Rio/Tioインターフェース、そしてADECIAソリューションが含まれるようなシステムデザインに最適です。ProVisionaire Designは、ProVisionaire Control PLUSソフトウェアと組み合わせて使用することで、プロジェクト内の機器を統合コントロールでき、システムデザイン、設定から日々の操作や管理が可能になります。
不適切な投稿として報告しますか?
理由
ご協力ありがとうございました
投稿を削除しますか?
投稿されたレビューを削除しました。
Item ID:272972
430,290 yen(incl. tax)
21,513Pt(5%)Detail
通常ポイント
ポイント5倍キャンペーン
Coupon Point
Total
Rating
Categories
Search by Brand
Brand ListShopping
Find a Product
Customer Service
© Sound House










Special Order 



すべてのレビューを見る